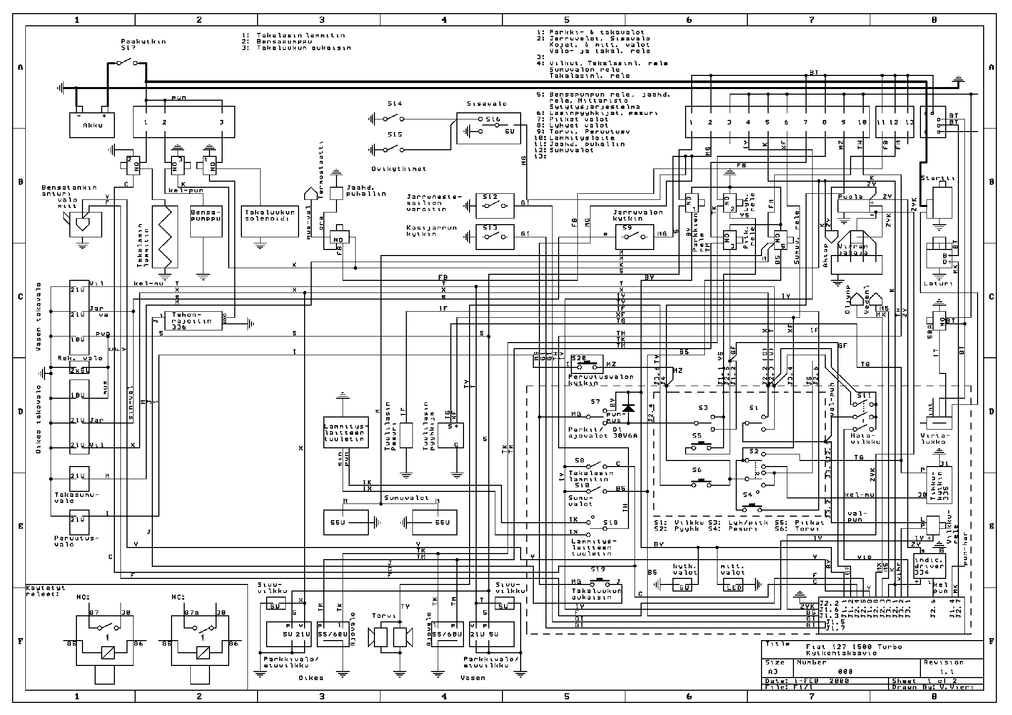
Main schematic
Accessories
Fuel pump controller

Takaisin pääsivulle.